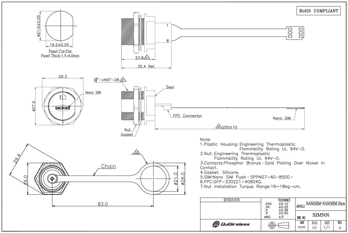
QuSIM for Nano SIM slots
P/N: SIMNN
Outdoor Nano slot - Nano SIM adapter
Waterproof outdoor SIM card slot adapter nano SIM to nano SIM for all routers & motherboards with Nano SIM slots.

| MECHANICAL SPECIFICATION | |
|---|---|
| SIM card connector type | Nano SIM |
| SIM card slot type | Nano SIM |
| Length | 20cm flexible tape |
| Mounting hole | M21 with cutoff 19.2mm |
| Ingress protection | IP67 |
| Operating temperature | -20°C … +45°C |
DIMENSIONS

