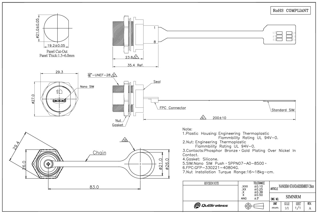
QuSIM for Teltonika
P/N: SIMNRM
Outdoor Nano slot - reverse Mini SIM adapter
Waterproof outdoor SIM card slot adapter dedicated to all Teltonika Routers.

| MECHANICAL SPECIFICATION | |
|---|---|
| SIM card connector type | Nano SIM |
| SIM card slot type | Mini SIM |
| Length | 20cm flexible tape |
| Mounting hole | M21 with cutoff 19.2mm |
| Ingress protection | IP67 |
| Operating temperature | -20°C … +45°C |
DIMENSIONS

